VIPER (1996 - 2002) Parts Diagrams

Phone:  352 688 8160 M-F EST
email admin@TheViperStore.com

Home                                    SHOP Products Menu                               Parts Diagram Menu Page

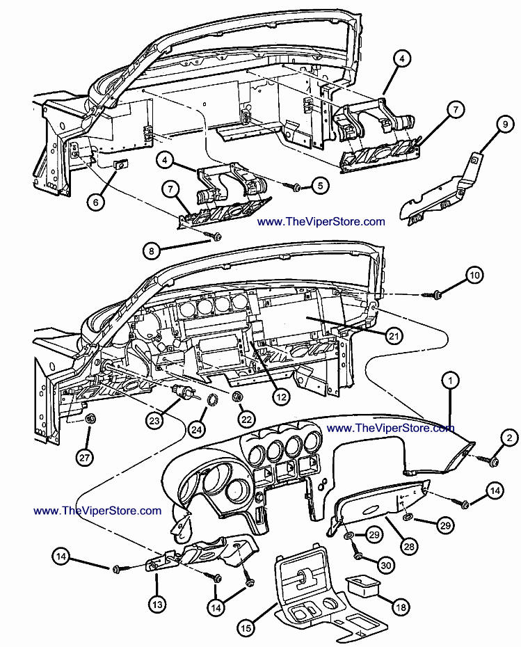
Instrument Panel

Phone:  352 688 8160 M-F EST
email admin@TheViperStore.com

This has opened into a new window